网站首页
关于我们
产品展示
合作案例
资质荣誉
新闻动态
常见问题
销售网络
在线留言
联系我们
电话:13703917668/13693916999
液压失效保护盘式制动器
位置:
首页
>
产品展示
>
液压失效保护盘式制动器
产品分类
刹车片
电液推杆
液压站
电源控制箱
制动器配件
防爆电力液压推动器
电力液压推动器
液压直动盘式制动器
气动钳盘式制动器
电力液压臂盘式制动器
液压失效保护盘式制动器
电磁失效保护盘式制动器
电磁块式制动器
电力液压块式制动器
防风制动器
其他产品
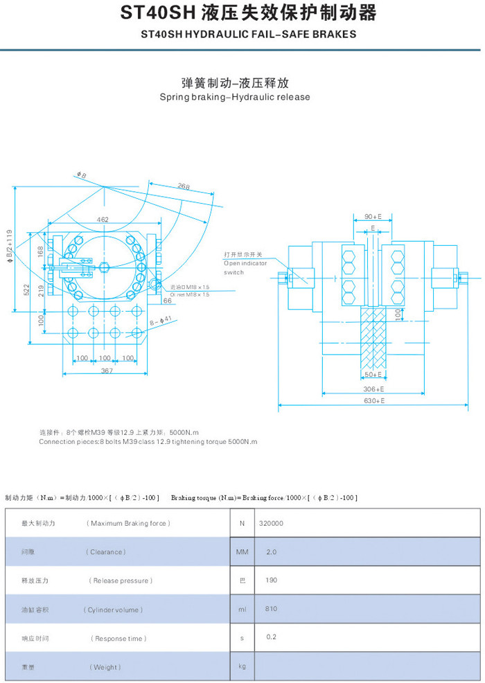
ST40SH液压失效保护制动器
价 格:
¥ 0.00
询价
关键词:
描 述:
立即预定
详细介绍
上一篇:
液压失效保护制动器ST3SH-A
下一篇:
ST25SH-A液压失效保护制动器
一键拨号
短信咨询
联系我们
二维码
TOP
QQ客服
0391-7542398